DIY. Тепламповый лимитер
В этой импровизированной статье я покажу кратко, как производится разработка и изготовление самопальных девайсов на примере клона армейского лимитера из 50-х Federal AM864/U, заслужившего много положительных отзывов и ныне стоящего внушительных денег (к тому же редкого и труднодоставаемого).
Итак, поехали...
Разработка любого девайса (что оригинального, что клона) начинается с проектирования. В первую очередь строится принципиальная схема, подбираются компоненты, далее производится проектирование монтажных схем и сборочных чертежей.
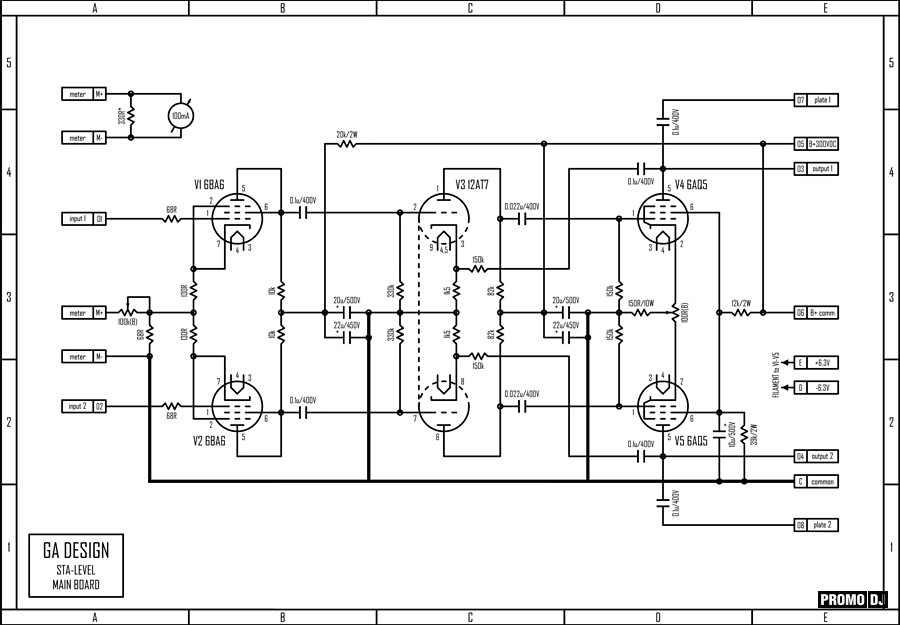
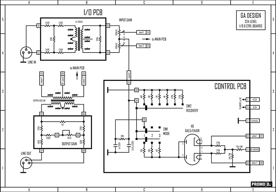
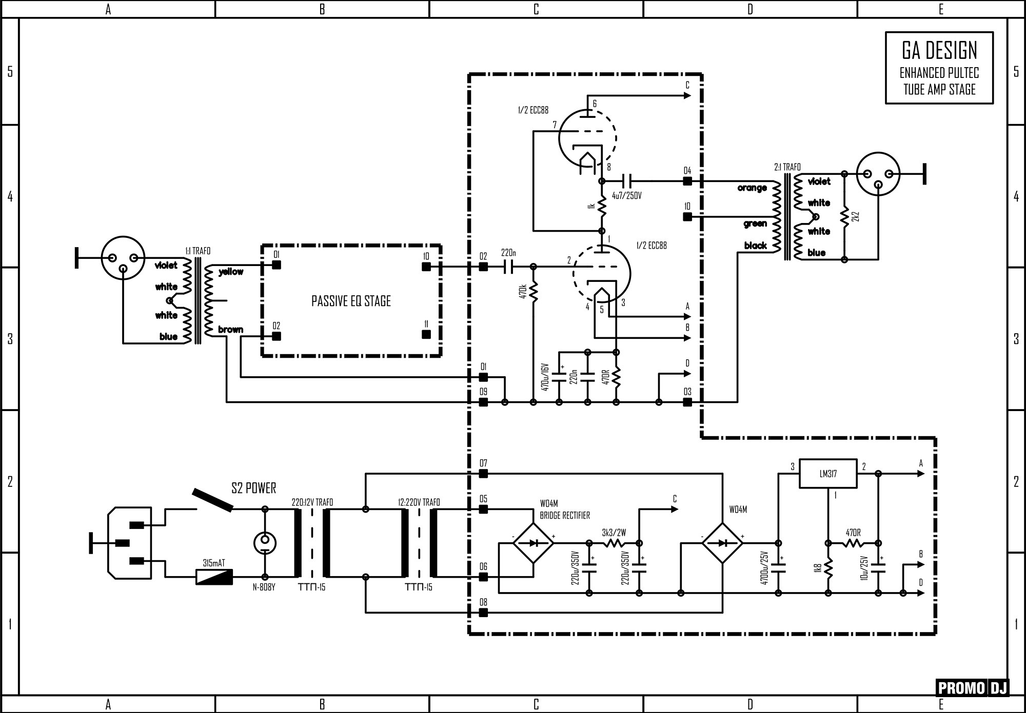
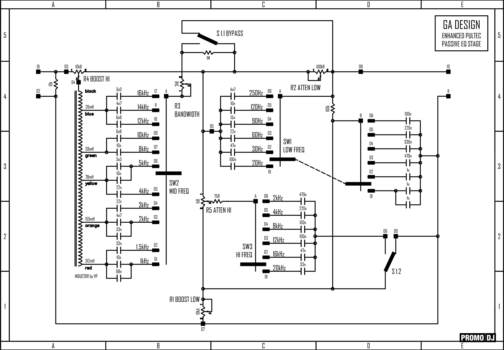
Принципиальная схема изделия:
Как видим, схемотехника построена по стандартным принципам для Vari-Mu архитектуры и поэтому очень проста и не должна вызвать проблем в повторении.
Лимитер содержит 5 ламп: 2 лампы входного усилителя, 1 лампа выходного усилителя, 1 лампа усилителя-детектора и 1 лампа силового выпрямителя.
Лампы было решено использовать советского производства с военной приемкой 53 года выпуска, являющиеся полными аналогами примененных в оригинале американских ламп. Лампы имеют древние октальные цоколя, выпущены в эпоху, когда более нам привычных 9-ти и 7-и пиновых миниатюрных цоколей еще не было.
Логика работы очень проста: входной сигнал усиливается пентодами 6К3, работающими в двухтактном режиме, далее поступает на оконечный усилитель на сдвоенном триоде 6Н8С, изменяющем коэффициент усиления в зависимости от изменения напряжения на сетках, являющегося суммой входного сигнала и сигнала с детектора-усилителя на сдвоенном диоде-триоде 6Г2, детектирующего входной сигнал, проходящий через линию задержки на RC цепочке, отвечающей за временнЫе параметры огибающей.
Анодное напряжение для всех ламп формируется ламповым блоком питания на силовом сдвоенном диоде 6Ц5С и RC-стабилизаторе.
Для полной аутентичности схему решено оставить полностью оригинальной, кроме модификации релиза - вместо фиксированного релиза 1 сек в оригинале введен селектор на 3 значения - 470 мс, 680 мс и 1 сек для большей гибкости при работе с разным звуковым материалом.
Далее производится разработка монтажной схемы. Принято решение, для бОльшей аутентичности технологиям 50-х, применить объемно-навесной монтаж. Только, в отличие от оригинала, где все компоненты собраны на одной турет-плате, я решил произвести монтаж непосредственно на цоколя для сокращения длины проводников и их взаимных наводок.
Земляная шина выполняется из единого луженого массивного медного провода, соединенного с корпусом и заземлением в одной точке - в непосредственной близости от входного разъема.
Монтаж получается компактный и аккуратный.
Применено единственное удешеление компонентов - как входные и выходные трансформаторы установлены бюджетные трансы производства Edcor, США. Обычно я во все свои изделия ставлю заказные трансы, изготавливаемые в Питере известнейшим мастером Владимиром Петровым (PV Design), но в данном случае хотелось собрать изделие побыстрее, да и влияние трансов в подобных схемах не столь критичное, винтажные октальные лампы искажают звук куда заметнее, да и звучат трансы Edcor хорошо, но без богатой винтажной округлости.
Сборочный чертеж изделия:
Как видим, передняя панель максимально повторяет оригинальное изделие, но с добавлением ручек порога и ratio (в оригинале размещенных неудобно сзади) и ручки релиза.
Также решено было избавиться от возможности переключения метера в режим VU по выходу, ибо примененная в оригинале схема на диодном мосту крайне негативно влияет на звук, особенно на ВЧ. Поэтому у нас метер показывает только величину Gain Reduction, что, собственно, и нужно от метера на компрессоре).
Итак, все проектные работы выполнены и пришло время собрать нашу игрушку.
В качестве шасси было принято решение использовать шасси от древнего неисправного лампового радиоприемника Рекорд производства 1959 года, благо, он тоже расчитан на 5 октальных ламп, поэтому цоколя можно оставить прежние.
Извлекаем всю оригинальную начинку:
Тут возникла трудность - в 50-е гг в Союзе вместо обычной пайки периодически применяли точечную сварку, делающую изделия полностью ремонтонепригодными. Для извлечения компонентов пришлось срезать все точки сварки и пролуживать контакты... Долго и геморно, зато в результате получаем девственно чистое шасси с цоколями:
Теперь можно произвести монтаж новых компонентов:
В качестве экранов для силового трансформатора и блока селектора релиза использованы пролуженные и окрашенные консервные банки)) Ну а что, вполне достойно выглядят и при этом весьма сносно экранируют.
Изделие собрано и готово к тестированию и отладке: Проверка работоспособности и базовое тестирование прибора генератором ЗЧ:
В результате тестов установлено, что прибор имеет очень высокую чувствительность, так что при положении ручки входной аттенюации всего на 9 часов уже возникает перегрузка выходного каскада... Чтож, прекрасно, запас по гейну никогда лишним не бывает... А можно будет еще и адаптировать этот лимитер под микрофонный пред, благо у первички входного транса есть отвод на 300 Ом...
Проверка изделия на музыкальном сигнале: Пока произведена только быстрая проверка, лимитером обработано несколько дорожек мультитрека и сведено только с применением фильтров. Результат занятный, мне понравилась мягкость и одновременная напористость и вкусность изделия.
Если кому будет интересно, могу провести вменяемое аудио-тестирование и запилить сюда (в интернетах вообще крайне мало примеров звучания Federal AM864/U, что оригинала, что клонов).
Итак, готовое изделие (осталось только лицевую накладку с разметкой изготовить):
На фото также видно еще несколько девайсов, изготовленных мной за последние 3 месяца - ламповый vari-mu компрессор Altec 436C и классический ламповый микрофонный предусилитель REDD47.
А так, за эти месяцы изготовлена или модифицирована целая пачка ламповых и дискретных изделий, но об этом как-нибудь в другой раз)))
Несколько фоток этих изделий в разных стадиях производства:
Кто осилил писанину - молодцы) Если при этом было еще и интересно - тогда молодцы вдвойне.
